BY89H/450-40+250-15 Peralatan pampasan kuasa reaktif bersepadu voltan rendah kuasa pintar Kapasitor 35kvar 450V
Model dan Maksud

Spesifikasi Produk
| Projek | Parameter | |
| Model | BY89H/450-40+250-15 | |
| Kaedah pampasan | Pampasan tiga fasa | |
| Kapasiti Kapasitor | Jumlah Kapasiti: 35 kvar (20+15kvar) | |
| Keadaan Operasi dan Pemasangan | Suhu Persekitaran | -25℃~+55℃ |
| Kelembapan Relatif | 20%~90% pada 40℃ | |
| Sikap | Sehingga 2000 meter | |
| Spesifikasi Kuasa | Voltan Nominal | AC250V |
| Toleransi Voltan | ±20% | |
| Kekerapan Operasi | 50±1.5Hz | |
| Cabutan Kuasa | ≤3VA | |
| Ketepatan Pengukuran | Voltan dan Arus | 0.5% |
| kuasa | 1.0% | |
| Faktor kuasa | ±0.01 | |
| Pengukuran Suhu | ±1℃ | |
| Ciri-ciri Perlindungan | Menyekat masa | 5 hingga 60 saat |
| Masa Pemutus Sambungan Kapasitor | 1 saat | |
| Pampasan kuasa reaktif | Kuantiti Maksimum Kapasitor Terpaut | Dengan Pengawal: 31 unit |
| Tanpa Pengawal: 12 unit | ||
| Keselamatan elektrik | Rintangan Penebat Litar Utama | Ujian voltan 2500V(1min) |
| Kesinambungan litar perlindungan | Semua komponen pembumian mesti mempunyai sambungan elektrik yang selamat ke skru pembumian | |
| Perlindungan keselamatan | Selongsong peranti, sebarang komponen logam yang berpotensi bertenaga, dan asas logam unsur elektrik yang memerlukan pembumian mesti disambungkan dengan pasti kepada skru pembumian | |
| Tahap perlindungan | IP30 | |
| Persampelan dan perlindungan litar kawalan | Litar semasa untuk kawalan pensampelan terbina dalam menggunakan komponen pendawaian khusus, memastikan sambungan tanah yang boleh dipercayai pada satu hujung | |
Gambaran Keseluruhan Produk
Pada masa ini, kebanyakan pampasan kuasa reaktif menggunakan satu pengawal pampasan kuasa reaktif untuk mengawal berbilang kapasitor untuk melengkapkan pensuisan. Walaupun struktur kawalan ini mudah, jika pemantauan pengubah pengedaran dan terminal kawalan gagal semasa digunakan, kapasitor tidak akan dapat terus digunakan, menjejaskan bekalan kuasa biasa sistem bekalan kuasa. Pada masa yang sama, kotak pampasan kuasa reaktif sedia ada juga mempunyai masalah seperti struktur kompleks, sambungan litar yang tidak kemas, saiz besar dan penyelenggaraan yang kompleks. Perkakas elektrik voltan rendah pintar adalah asas untuk sistem kuasa bergerak ke arah kecerdasan. Dalam beberapa tahun kebelakangan ini, dengan perkembangan pesat dan aplikasi luas teknologi elektronik mikrokomputer, teknologi kawalan digital, teknologi komunikasi dan rangkaian, peralatan elektrik pintar di dalam dan luar negara telah mencapai kemajuan yang besar. Perkakas elektrik sedang membangun ke arah penyepaduan, modularisasi dan kecerdasan. Perisikan, penyepaduan, rangkaian, kebolehpercayaan, ketersediaan, kebolehselenggaraan, pemuliharaan tenaga, perlindungan alam sekitar dan keselamatan telah menjadi arus perdana pembangunan peralatan elektrik pintar.
Kapasitor voltan rendah pintar ialah peranti pampasan kuasa reaktif voltan rendah generasi baharu yang dibangunkan pada rangka kerja pembangunan keseluruhan peralatan elektrik pintar. Ia terdiri daripada unit pengukuran dan kawalan, unit pensuisan komposit thyristor, unit perlindungan dan kapasitor kuasa, dsb. Ia telah menggantikan peranti lengkap pampasan kuasa reaktif sebelumnya yang terdiri daripada komponen diskret seperti pengawal pintar, fius, suis komposit atau penyentuh mekanikal, geganti haba, kapasitor kuasa voltan rendah di dalam dan lampu penunjuk yang disambungkan pada kabinet dan lampu penunjuk. Ia telah mengubah teknologi pengawal ke belakang bagi peranti pampasan kuasa reaktif tradisional dan teknologi pensuisan penyentuh mekanikal ke belakang atau suis bersepadu elektromekanikal untuk menukar kapasitor, serta mod struktur besar dan berat bagi peranti pampasan kuasa reaktif tradisional. Oleh itu, peralatan pampasan kuasa reaktif voltan rendah generasi baharu mempunyai ciri-ciri kesan pampasan yang lebih baik, penggunaan kuasa yang lebih rendah, volum yang lebih kecil, lebih banyak penjimatan kos, penggunaan yang lebih fleksibel, penyelenggaraan yang lebih mudah, hayat perkhidmatan yang lebih lama dan kebolehpercayaan yang lebih tinggi, memenuhi keperluan yang lebih tinggi bagi grid kuasa moden untuk pampasan kuasa reaktif.
Struktur Kapasitor Voltan Rendah Pintar
Kapasitor voltan rendah pintar menyediakan grid kuasa dengan perkakas elektrik pintar yang mempunyai volum kecil dan boleh melakukan pampasan kuasa reaktif secara bebas, yang boleh mengatasi kekurangan teknologi sedia ada. Ia termasuk perumahan kapasitor pintar. Di dalam perumah, pemutus litar bekas acuan voltan rendah, suis komposit thyristor, unit pengukuran dan kawalan pintar, dan kapasitor penyembuhan diri voltan rendah disepadukan. Selain itu, terminal talian masuk dan terminal talian keluar dipasang pada perumahan.
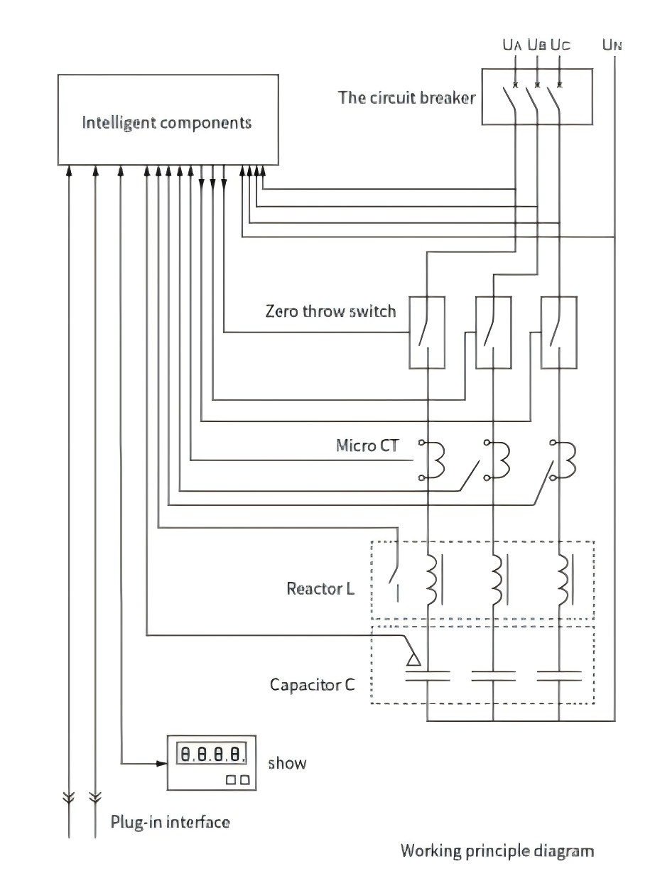
Seperti yang ditunjukkan dalam Rajah 1 rajah skema kapasitor voltan rendah pintar, unit pengukuran dan kawalan komprehensif adalah teras kapasitor voltan rendah pintar. Ia menyediakan asas pensuisan untuk suis komposit thyristor bagi kapasitor pintar, mengeluarkan arahan pensuisan, memantau suhu kapasitor, memantau keadaan kerja litar, dan lain-lain. Dan ia memuat naik keadaan operasi dan data pensampelan kapasitor voltan rendah pintar ke peralatan penghantaran peringkat atas melalui bas rangkaian (RS485 akhirnya boleh mencapai antara muka sistem pengurusan pengguna, dan latar belakang RS485).


gambar 1
Fungsi kapasitor voltan rendah pintar
Berbanding dengan teknologi pampasan kuasa reaktif tradisional yang sedia ada, kapasitor voltan rendah pintar itu sendiri mempunyai keupayaan untuk memproses dan melaksanakan isyarat yang dikumpul. Ia boleh terus berfungsi dengan stabil dan tepat apabila pengubah pengedaran mengukur dan mengawal terminal gagal, merealisasikan fungsi pampasan kuasa reaktif automatik voltan rendah. Apabila kapasitor individu gagal, ia akan menarik diri secara automatik tanpa menjejaskan operasi kapasitor yang tinggal.
Terminal input dan output bagi kapasitor voltan rendah pintar ialah terminal pendawaian plug-in, yang boleh memudahkan sambungan talian dan meningkatkan kelajuan pemasangan dan penyelenggaraan. Unit pengukur dan pengawal boleh mengukur suhu dalaman setiap kapasitor dan arus tiga fasa setiap kapasitor, dengan itu merealisasikan perlindungan suhu lebih dan arus lebih, kehilangan fasa, ketidakseimbangan tiga fasa, dan perlindungan arus bocor untuk setiap kapasitor. Ia juga boleh merealisasikan fungsi diagnosis diri yang lengkap daripada pengawal, suis kepada kapasitor.
Suhu lebihan kapasitor mencerminkan pelbagai situasi seperti lebihan voltan, lebih-harmonik, suhu ambien yang berlebihan, dan arus kebocoran sendiri kapasitor. Menetapkan perlindungan lebih suhu boleh memanjangkan hayat perkhidmatan kapasitor dengan berkesan. Fungsi diagnosis kendiri yang lengkap mengurangkan beban kerja pemeriksaan operasi pengguna dan memudahkan pengguna mencari dan mengendalikan sendiri kerosakan peralatan. Selain itu, ia mempunyai fungsi pensuisan sifar, iaitu, kapasitor dimasukkan ke dalam operasi apabila voltan melintasi sifar dan terputus apabila arus melintasi sifar, mencapai pensuisan yang boleh dipercayai sehingga 1 juta kali.
Pada masa yang sama, ia mempunyai kelebihan saiz kecil, penjimatan tenaga, dan pengembangan yang mudah. Apabila keadaan ekonomi terhad, ia boleh digunakan secara bebas tanpa memasang terminal pengukur dan mengawal pengubah pengedaran. Ia mempunyai nilai aplikasi dan promosi yang baik. Peranti pampasan mempunyai pampasan bersama tiga fasa, pampasan berasingan fasa tunggal dan fungsi pampasan bercampur satu/tiga fasa. Kapasiti pampasan bersama dan kapasiti pampasan berasingan tidak dihadkan oleh bilangan litar kawalan, dan bilangan kumpulan boleh mencapai sehingga 40, yang boleh digabungkan secara bebas. Apabila voltan tidak seimbang, set lengkap peranti pampasan kuasa reaktif boleh melaraskan konfigurasi kapasiti pampasan bersama dan kapasiti pampasan berasingan. Ia juga boleh meningkatkan atau mengurangkan kapasiti pampasan bersama atau kapasitor pampasan berasingan mengikut keadaan di tapak, menjadikannya lebih baik menyesuaikan diri dengan perubahan dalam keadaan di tapak dan memperbaiki ketidakseimbangan tiga fasa dengan lebih berkesan.

Penggunaan Kapasitor Voltan Rendah Pintar
Kapasitor voltan rendah pintar sesuai untuk pampasan kuasa reaktif dalam rangkaian pengedaran voltan rendah 0.4 kV. Ia boleh dipasang secara berasingan di sebelah peralatan elektrik untuk mencapai pampasan kuasa reaktif di tapak automatik. Ia juga boleh dipasang dalam pengubah pengedaran gaya Amerika, pengubah pengedaran gaya Eropah, kabinet pengedaran, pengubah dipasang pada tiang dan pengubah tertanam pra-fabrikasi. Selain itu, mereka boleh melaksanakan pampasan kuasa reaktif automatik dengan lebih baik untuk sesetengah pengguna dengan kapasiti pengubah pengedaran kecil, kampung baharu untuk pengagihan kuasa, dll. Mereka menampilkan fungsi yang kukuh, pemasangan dan penggunaan yang mudah serta pelaburan yang rendah.



Gambar rajah pendawaian produk

Dimensi produk

| Model | H | L | L1 | DALAM | S |
| BY89H/450-40+250-15 | 410mm | 385mm | 365mm | 80mm | 50mm |
Bengkel Penyimpanan

Bengkel pengeluaran

Baoyu Holding Co., Ltd. ialah peneraju global dalam mengeluarkan penyelesaian kualiti kuasa yang pintar dan dikawal sepenuhnya, termasuk penapis kuasa aktif, penjana var statik, kapasitor pintar, kapasitor kuasa, pemampas reaktif, suis komposit, penyentuh kapasitor, suis thyristor dan reaktor. Terkenal dengan kualiti unggul, produk kami dieksport ke lebih sepuluh negara di seluruh Eropah, Amerika, Asia Tenggara dan Timur Tengah, yang menyediakan perkhidmatan kepada industri seperti pembuatan, petrokimia, perlombongan, metalurgi, maritim, penerbangan dan tenaga boleh diperbaharui (tenaga suria dan angin), dengan kepakaran yang terbukti dalam projek infrastruktur kritikal di seluruh China.
Kemudahan penyimpanan kapasitor kami memanfaatkan kawalan iklim ketepatan, pergudangan 3D automatik (meningkatkan kapasiti sebanyak 200%) dan sistem keselamatan bersepadu (pendam kebakaran, protokol anti-statik dan audit bulanan) untuk memastikan pengoksidaan sifar dan integriti produk. Melengkapkan ini, kemudahan pembuatan bilik bersih kami menggabungkan ruang kerja semula jadi dan bercahaya LED, aliran kerja diperkemas dan juruteknik terlatih silang untuk memaksimumkan kecekapan. Sistem kawalan kualiti automatik dan proses yang diperakui ISO menjamin pematuhan dimensi dan elektrik, manakala analitik dipacu AI dan protokol ketat mencapai kecacatan hampir sifar.Dengan menggabungkan automasi termaju, penyelesaian tersuai dan kebolehpercayaan yang tidak berbelah bahagi, Baoyu menyampaikan sistem kuasa yang tahan lasak dan kritikal misi, mengukuhkan kedudukan kami sebagai rakan kongsi global pilihan untuk industri yang menuntut ketepatan dan inovasi.
Lesen perniagaan

Sijil perusahaan berteknologi tinggi
pensijilan sistem pengurusan ISO



Kepujian korporat


Sijil pensijilan produk

Laporan ujian produk

Sijil paten syarikat

Rakan kongsi domestik yang terkenal


