- पावर कैपेसिटर
- BY71 श्रृंखला बेलनाकार संधारित्र
- बीएसएमजे श्रृंखला स्व-उपचार निम्न वोल्टेज शंट कैपेसिटर
- BY86 श्रृंखला नियंत्रित बुद्धिमान संधारित्र
- BYKXG/F श्रृंखला एंटी-हार्मोनिक इंटेलिजेंट कैपेसिटर
- BY81 श्रृंखला बुद्धिमान संधारित्र
- BY82J श्रृंखला एंटी-हार्मोनिक इंटेलिजेंट कैपेसिटर
- BY89 श्रृंखला बुद्धिमान संधारित्र
- बुद्धिमान नियंत्रक श्रृंखला
- रिएक्टर
- इंटेलिजेंट स्विच सीरीज़
- प्रत्यावर्ती धारा संपर्कक
- बहुक्रियाशील विद्युत उपकरण
- परिपथ वियोजक
- एपीएफ/एसवीजी/एसपीसी कैबिनेट और मॉड्यूल श्रृंखला
01
CJ19 श्रृंखला स्विचिंग संधारित्र संपर्ककर्ता

उत्पाद की जानकारी
सी19
श्रृंखला स्विचिंग संधारित्र
contactor

उत्पाद विवरण
CJ19 श्रृंखला स्विचिंग कैपेसिटर कॉन्टैक्टर (जिन्हें आगे कॉन्टैक्टर कहा जाएगा) मुख्य रूप से 50Hz या 60Hz AC और 400V तक रेटेड कार्यशील वोल्टेज वाली विद्युत लाइनों में उपयोग किए जाते हैं। इनका उपयोग निम्न-वोल्टेज प्रतिक्रियाशील शक्ति क्षतिपूर्ति उपकरणों के माध्यम से निम्न-वोल्टेज समानांतर कैपेसिटर को इनपुट या निकालने के लिए किया जाता है। कॉन्टैक्टर एक सर्ज सप्रेशन डिवाइस से सुसज्जित है, जो कैपेसिटर पर क्लोजिंग सर्ज के प्रभाव को प्रभावी ढंग से कम कर सकता है और खोलने और बंद करने के दौरान ओवरवोल्टेज को दबा सकता है।
संरचनात्मक विशेषताएँ
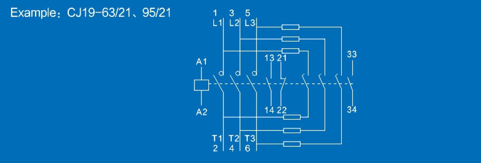
संपर्कक एक प्रत्यक्ष क्रियाशील द्वि-विराम बिंदु संरचना है, और संपर्क प्रणाली दो परतों में व्यवस्थित होती है। ऊपरी परत में धारा-सीमक संपर्कों के तीन युग्म और एक धारा-सीमक प्रतिरोधक होता है जो एक आवेश दमन उपकरण बनाता है। जब इसे बंद किया जाता है, तो कार्यशील संपर्क जुड़ने से पहले इसे कुछ मिलीसेकंड के लिए जोड़ा जाता है। धारा-सीमक संपर्क में स्थित स्थायी चुंबकीय ब्लॉक स्प्रिंग की प्रतिक्रिया के तहत मुक्त हो जाता है, जिससे धारा-सीमक प्रतिरोधक अलग हो जाता है और संधारित्र सामान्य रूप से कार्य करने लगता है। संपर्कक का आंतरिक परिपथ संयोजन आरेख (चित्र देखें)।
CJ19-25-43 के संपर्ककों में सहायक संपर्कों के दो जोड़े होते हैं, जबकि CJ19-63-95 के संपर्ककों में सहायक संपर्कों के तीन जोड़े होते हैं। संपर्कक का टर्मिनल एक इन्सुलेशन कवर से ढका होता है, जो सुरक्षा और विश्वसनीयता सुनिश्चित करता है। गलत कनेक्शनों को रोकने के लिए कॉइल टर्मिनलों पर वोल्टेज डेटा अंकित होता है। CJ19-25-43 संपर्कक को स्क्रू से लगाया जा सकता है या नीचे दिए गए स्लाइडर का उपयोग करके 35 मिमी मानक क्लैंप रेल पर लगाया जा सकता है। मास्क पर एक अलग करने योग्य आयताकार सफेद पट्टिका होती है, जिसका उपयोग उपयोगकर्ता प्रोजेक्ट कोड आदि प्रिंट करने के लिए कर सकते हैं। CJ19-63-95 को 35 मिमी या 75 मिमी मानक क्लैंप रेल के साथ लगाया जा सकता है।

उत्पाद विवरण
नमूना अर्थ

विनिर्देश


परिवेशी वायु का तापमान
-5'℃~+40'c, और 24 घंटे के भीतर इसका औसत मान +35'℃ से अधिक नहीं होता है।
-5'℃~+40'c, और 24 घंटे के भीतर इसका औसत मान +35'℃ से अधिक नहीं होता है।

ऊंचाई
2000 मीटर से अधिक नहीं.
2000 मीटर से अधिक नहीं.

वातावरणीय स्थितियां
जब अधिकतम तापमान +40'c होता है, तो हवा की सापेक्ष आर्द्रता 50% से अधिक नहीं होती है; कम तापमान पर उच्च सापेक्ष आर्द्रता की अनुमति दी जा सकती है, जैसे कि 20'c पर 90% तक पहुंचना, तापमान परिवर्तन के कारण कभी-कभी होने वाले संघनन के लिए विशेष उपाय किए जाने चाहिए।
जब अधिकतम तापमान +40'c होता है, तो हवा की सापेक्ष आर्द्रता 50% से अधिक नहीं होती है; कम तापमान पर उच्च सापेक्ष आर्द्रता की अनुमति दी जा सकती है, जैसे कि 20'c पर 90% तक पहुंचना, तापमान परिवर्तन के कारण कभी-कभी होने वाले संघनन के लिए विशेष उपाय किए जाने चाहिए।

स्थापना की शर्तें
स्थापना सतह और ऊर्ध्वाधर तल के बीच झुकाव +5° से अधिक नहीं होना चाहिए
स्थापना सतह और ऊर्ध्वाधर तल के बीच झुकाव +5° से अधिक नहीं होना चाहिए

प्रभाव कंपन
उत्पाद को ऐसे स्थान पर स्थापित और उपयोग किया जाना चाहिए जहां कोई महत्वपूर्ण झटका, प्रभाव और कंपन न हो।
उत्पाद को ऐसे स्थान पर स्थापित और उपयोग किया जाना चाहिए जहां कोई महत्वपूर्ण झटका, प्रभाव और कंपन न हो।
उपस्थिति और स्थापना DIMENSIONS

आदेश निर्देश
ऑर्डर करते समय, संपर्ककर्ता का पूरा नाम और मॉडल इंगित करना आवश्यक है;
रेटेड नियंत्रण बिजली की आपूर्ति वोल्टेज और कुंडल की आवृत्ति; आदेश मात्रा।
आदेश उदाहरण: CJ19-43/11 स्विचिंग संधारित्र संपर्ककर्ता कुंडल वोल्टेज 220V 50Hz 10 इकाइयाँ।

बिक्री के बाद
स्थापना के बारे में
बिजली कटौती होने पर एक पेशेवर इलेक्ट्रीशियन से इंस्टॉलेशन करवाने की सिफारिश की जाती है, जिससे अनुचित संचालन के कारण होने वाले बिजली के झटके और अनुचित वायरिंग के कारण उत्पाद को होने वाले नुकसान से बचा जा सकता है (गलत वायरिंग के कारण उत्पाद को होने वाली क्षति गुणवत्ता का मुद्दा नहीं है और इसे वापस नहीं किया जा सकता है या मुआवजा नहीं दिया जा सकता है);
ऑर्डर करने के संबंध में
1. ऑर्डर देने से पहले, कृपया परामर्श करें कि क्या उत्पाद अनावश्यक परेशानी से बचने के लिए उपयुक्त है
2. कुछ मॉडल अपरंपरागत हैं और स्टॉक में उपलब्ध नहीं हैं। कृपया ऑर्डर देने से पहले डिलीवरी समय की पुष्टि के लिए ग्राहक सेवा से संपर्क करें।
आयामों के बारे में
उत्पाद के आयामों को वर्नियर कैलिपर और टेप मापक का उपयोग करके मापा जाता है। उपकरण और मैन्युअल मापन विधियों में अंतर के कारण, परिणामों में सामान्य श्रेणी की त्रुटियाँ हो सकती हैं, जो एक सामान्य घटना है और कारीगरी या गुणवत्ता से संबंधित कोई समस्या नहीं है।
वितरण
गोदाम उत्पादों के आकार, मात्रा और वजन के आधार पर शिपिंग मार्ग की व्यवस्था करेगा।
डिफ़ॉल्ट रूप से, शिपमेंट को गंतव्य शहर में लॉजिस्टिक्स के माध्यम से भेजा जाएगा और स्वयं पिकअप आवश्यक है। यदि आपको आवश्यकता हो
लॉजिस्टिक्स निर्दिष्ट करने के लिए, कृपया नोट के लिए ग्राहक सेवा से संपर्क करें।
रसद और भुगतान के तरीके

स्वीकृत डिलीवरी
शर्तें: एफओबी, सीएफआर, सीआईएफ
ईएक्सडब्लू, एफसीए, डीडीपी, यूके।
एक्सप्रेस वितरण।
स्वीकृत भुगतान - मुद्रा: USD, EUR, JPY, CAD, AUD, HKD, GBP, CNY, CHF;
स्वीकृत भुगतान प्रकार: टी/टी, एल/सी, मनी ग्राम, क्रेडिट कार्ड, पेपैल, वेस्टर्न यूनियन, एस्क्रो;




