- पावर कैपेसिटर
- BY71 श्रृंखला बेलनाकार संधारित्र
- बीएसएमजे श्रृंखला स्व-उपचार निम्न वोल्टेज शंट कैपेसिटर
- BY86 श्रृंखला नियंत्रित बुद्धिमान संधारित्र
- BYKXG/F श्रृंखला एंटी-हार्मोनिक इंटेलिजेंट कैपेसिटर
- BY81 श्रृंखला बुद्धिमान संधारित्र
- BY82J श्रृंखला एंटी-हार्मोनिक इंटेलिजेंट कैपेसिटर
- BY89 श्रृंखला बुद्धिमान संधारित्र
- बुद्धिमान नियंत्रक श्रृंखला
- रिएक्टर
- इंटेलिजेंट स्विच सीरीज़
- प्रत्यावर्ती धारा संपर्कक
- बहुक्रियाशील विद्युत उपकरण
- परिपथ वियोजक
- एपीएफ/एसवीजी/एसपीसी कैबिनेट और मॉड्यूल श्रृंखला
01
BY82J श्रृंखला एंटी हार्मोनिक इंटेलिजेंट कैपेसिटर

उत्पाद की जानकारी
BY82J
श्रृंखला एंटी हार्मोनिक इंटेलिजेंट
संधारित्र

उत्पाद विवरण
BY82J श्रृंखला के एंटी-हार्मोनिक इंटेलिजेंट कैपेसिटर, जो मुख्य रूप से Δ-प्रकार या Y-प्रकार के पीज़ोइलेक्ट्रिक कैपेसिटर से बने होते हैं, बुद्धिमत्ता के लिए कई नई तकनीकों को एकीकृत करते हैं। इनमें निम्न-वोल्टेज प्रतिक्रियाशील शक्ति क्षतिपूर्ति और अन्य कार्य होते हैं, जो बिना किसी अनुनाद या हार्मोनिक प्रवर्धन के गंभीर हार्मोनिक वातावरण में विश्वसनीय रूप से कार्य करते हैं, और कुछ हार्मोनिक्स को अवशोषित और समाप्त कर सकते हैं। 7% श्रृंखला रिएक्टर वाले उत्पाद 5वें हार्मोनिक वाले वातावरण के लिए उपयुक्त हैं, जबकि 14% श्रृंखला रिएक्टर वाले उत्पाद 3वें हार्मोनिक के लिए उपयुक्त हैं। इनका व्यापक रूप से रासायनिक उद्योग और विद्युत शक्ति जैसे औद्योगिक क्षेत्रों के साथ-साथ संचार और चिकित्सा देखभाल जैसी वाणिज्यिक ऊर्जा प्रणालियों में उपयोग किया जाता है।
उत्पाद की मुख्य विशेषताएं



उत्पाद विवरण
नमूना अर्थ

तकनीकी
उत्पाद के संकेतक

कार्य सिद्धांत
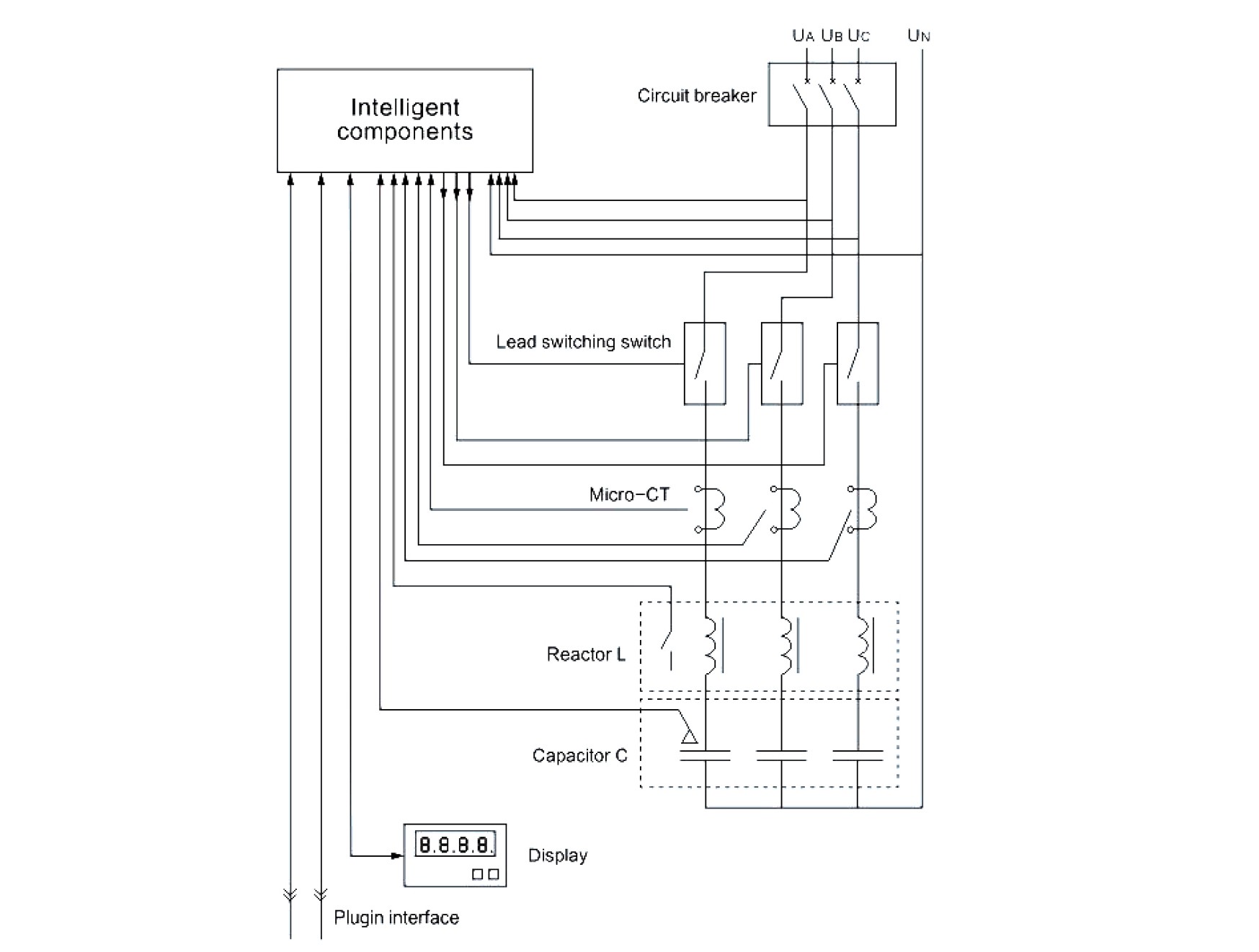
पूरी मशीन
इस उत्पाद में बुद्धिमान घटक, शून्य स्विचिंग स्विच, धारा नमूनाकरण, तापमान नमूनाकरण, dny श्रृंखला रिएक्टर और निम्न-वोल्टेज फ़िल्टरिंग पावर कैपेसिटर शामिल हैं। निम्नलिखित आकृति उत्पाद श्रृंखला में विभाजित चरण क्षतिपूर्ति विधि उत्पाद के कार्य सिद्धांत का ब्लॉक आरेख है।

कार्य सिद्धांत आरेख
कार्रवाई का सिद्धांत
प्रत्येक घटक
बुद्धिमान घटक
व्यापक तापमान वाले औद्योगिक-ग्रेड इलेक्ट्रॉनिक घटकों का उपयोग करें, कठोर वातावरण के अनुकूल बनें, और लंबे समय तक स्थिर रूप से चलें।
तुल्यकालिक स्विच
यांत्रिक संपर्ककों आदि की विशेषताओं को एकीकृत करके स्वतंत्र रूप से विकसित, शून्य-क्रॉसिंग स्विचिंग प्राप्त करने, अंतर्वाह धारा प्रभाव से बचने, हानि को कम करने और संधारित्र जीवन को बढ़ाने के लिए माइक्रोइलेक्ट्रॉनिक प्रौद्योगिकी के साथ यांत्रिक संपर्कों को नियंत्रित करता है।
शुष्क-प्रकार श्रृंखला रिएक्टर
उच्च प्रवाह वाली आयातित सामग्री से निर्मित, हल्का, छोटा, कम नुकसान वाला, कम तापमान वृद्धि और शोर के साथ; अंतर्निर्मित थर्मल रिले अधिक तापमान होने पर संकेत भेजता है।
मिनी करंट सैंपलिंग ट्रांसफार्मर
पर्मलॉय कोर, उच्च रैखिकता और अच्छी आवृत्ति विशेषताओं के साथ, सटीक और स्थिर वर्तमान और सुरक्षा सुनिश्चित करना।
त्वरित सर्किट ब्रेकर
मोल्डेड केस प्रकार, 10 गुना रेटेड करंट पर 100ms के भीतर डिस्कनेक्ट हो जाता है, जो कुल सुरक्षा और पावर स्विच के रूप में कार्य करता है।
उपस्थिति और स्थापना
DIMENSIONS


सरल एंटी हार्मोनिक बुद्धिमान
संधारित्र

नोट: स्मार्ट कैपेसिटर की चौड़ाई और गहराई विभिन्न क्षमताओं के बीच एक समान होती है, लेकिन केवल ऊंचाई में अंतर होता है।
ऑनलाइन संलग्नक
RS-485 ऑनलाइन कनेक्टर

उत्पाद और उत्पाद नेटवर्किंग, साथ ही वर्तमान सिग्नल अधिग्रहण लाइन, हमारी कंपनी द्वारा कॉन्फ़िगर किए गए प्लग-इन डेटा केबल का उपयोग करते हैं।
ग्राउंडिंग तार टर्मिनल उत्पाद के पीछे स्थित है (चिह्नित), और ग्राउंडिंग तार कनेक्शन बहुत विश्वसनीय होना चाहिए और बाहरी ग्राउंडिंग टर्मिनल से सही ढंग से जुड़ा होना चाहिए।
बिजली की तारें
पुनर्भुगतान
पावर कॉर्ड का निर्माण चित्र में दिखाए अनुसार होता है: पावर कॉर्ड को स्क्रू से कसना चाहिए, और यह साबित करने के लिए कि यह बहुत मज़बूत है, पावर कॉर्ड को ज़ोर से खींचना चाहिए। अन्यथा, इससे उस क्षेत्र में अत्यधिक गर्मी पैदा होगी और उत्पाद को नुकसान पहुँचेगा।
जब कोई बाहरी संकेतक लाइट हो, तो संधारित्र मॉडल के आधार पर उपयुक्त वोल्टेज स्तर स्थिति संकेतक लाइट का चयन करें, और सह-क्षतिपूर्ति संधारित्र के लिए संकेतक लाइट 380V है: क्षतिपूर्ति संधारित्र का संकेतक लाइट 220V है, और क्षतिपूर्ति संधारित्र का टर्मिनल 5 एक संकेतक लाइट से जुड़ा है। लाइट का दूसरा सिरा बिजली आपूर्ति UB से जुड़ा होना चाहिए; क्षतिपूर्ति संधारित्र के टर्मिनल 34 और 5 क्रमशः संकेतक लाइट से जुड़े होने चाहिए, और लाइट का दूसरा सिरा न्यूट्रल लाइन UN से जुड़ा होना चाहिए (उत्पाद संकेतक लाइट शॉर्ट-सर्किट या साझा नहीं की जा सकती)।

जब कोई बाहरी संकेतक लाइट हो, तो संधारित्र मॉडल के आधार पर उपयुक्त वोल्टेज स्तर स्थिति संकेतक लाइट का चयन करें, और सह-क्षतिपूर्ति संधारित्र के लिए संकेतक लाइट 380V है: क्षतिपूर्ति संधारित्र का संकेतक लाइट 220V है, और क्षतिपूर्ति संधारित्र का टर्मिनल 5 एक संकेतक लाइट से जुड़ा है। लाइट का दूसरा सिरा बिजली आपूर्ति UB से जुड़ा होना चाहिए; क्षतिपूर्ति संधारित्र के टर्मिनल 34 और 5 क्रमशः संकेतक लाइट से जुड़े होने चाहिए, और लाइट का दूसरा सिरा न्यूट्रल लाइन UN से जुड़ा होना चाहिए (उत्पाद संकेतक लाइट शॉर्ट-सर्किट या साझा नहीं की जा सकती)।
सह पूरकता
विभाजन और पूरक

बिक्री के बाद
स्थापना के बारे में
बिजली कटौती होने पर एक पेशेवर इलेक्ट्रीशियन से इंस्टॉलेशन करवाने की सिफारिश की जाती है, जिससे अनुचित संचालन के कारण होने वाले बिजली के झटके और अनुचित वायरिंग के कारण उत्पाद को होने वाले नुकसान से बचा जा सकता है (गलत वायरिंग के कारण उत्पाद को होने वाली क्षति गुणवत्ता का मुद्दा नहीं है और इसे वापस नहीं किया जा सकता है या मुआवजा नहीं दिया जा सकता है);
ऑर्डर करने के संबंध में
1. ऑर्डर देने से पहले, कृपया परामर्श करें कि क्या उत्पाद अनावश्यक परेशानी से बचने के लिए उपयुक्त है
2. कुछ मॉडल अपरंपरागत हैं और स्टॉक में उपलब्ध नहीं हैं। कृपया ऑर्डर देने से पहले डिलीवरी समय की पुष्टि के लिए ग्राहक सेवा से संपर्क करें।
आयामों के बारे में
उत्पाद के आयामों को वर्नियर कैलिपर और टेप मापक का उपयोग करके मापा जाता है। उपकरण और मैन्युअल मापन विधियों में अंतर के कारण, परिणामों में सामान्य श्रेणी की त्रुटियाँ हो सकती हैं, जो एक सामान्य घटना है और कारीगरी या गुणवत्ता से संबंधित कोई समस्या नहीं है।
वितरण
गोदाम उत्पादों के आकार, मात्रा और वजन के आधार पर शिपिंग मार्ग की व्यवस्था करेगा।
डिफ़ॉल्ट रूप से, शिपमेंट को गंतव्य शहर में लॉजिस्टिक्स के माध्यम से भेजा जाएगा और स्वयं पिकअप आवश्यक है। यदि आपको आवश्यकता हो
लॉजिस्टिक्स निर्दिष्ट करने के लिए, कृपया नोट के लिए ग्राहक सेवा से संपर्क करें।
रसद और भुगतान के तरीके

स्वीकृत डिलीवरी
शर्तें: एफओबी, सीएफआर, सीआईएफ
ईएक्सडब्लू, एफसीए, डीडीपी, यूके।
एक्सप्रेस वितरण।
स्वीकृत भुगतान - मुद्रा: USD, EUR, JPY, CAD, AUD, HKD, GBP, CNY, CHF;
स्वीकृत भुगतान प्रकार: टी/टी, एल/सी, मनी ग्राम, क्रेडिट कार्ड, पेपैल, वेस्टर्न यूनियन, एस्क्रो;






